KENNISCENTRUM
ONZE FILIALEN
FAQ
CONTACT
OVER BJC TOOLS
Inloggen
Registreren
Inloggen
Results
Filters
Meer zoekresultaten laden...
Kies je categorie
Aandrijftechniek
Ankerwerk
Automotive
Beveiliging
Bevestigingsmaterialen
Bouwbeslag
Bouwproducten
Chemie
Draadmaterialen
Elektra
Handgereedschappen
Hang- en Sluitwerk
Huishoudelijk
IJzerwaren
Infrastructuur
Installatietechniek
Kantoorartikelen
Kantoorinrichting
Keuken artikelen
Lastechniek
Logistiek
Machines
Meubelbeslag
PBM
Profielen
Sanitair
Service artikelen
Tuingereedschappen
Verspanende gereedschappen
Terug naar categorieën
Aandrijftechniek
Afdichtingen
O-ringen
Lagers
Kogellagers
Looprollen
Pneumatiek
Koppelingen
Persluchtverzorging
Ventielen
Smering
Smeernippels
Terug naar categorieën
Ankerwerk
Bevestigingsankers
Ankerbussen
Bevestigingsanker, toebehoren
Bouwverankering
Beugels
Stelplaten
Bouwverankering
Ankerwerk
Dakverankering
Elementverankering
Kimankers
Kozijnankers
Kramplaten
Leuningankers
Muurplaatankers
Opwaaiankers
Randbekistingankers
Randbeveiliging
Stelplaten
Wandankers dilaterend
Wandankers star
Houtverbindingen
Balkdragers dubbel
Balkdragers korte lip
Balkdragers lange lip
Balkdragers licht
Balkdragers zonder lip
Dakverankering
Gordinglassen
Hoekankers
Hoeken
Koppelingen
Raveeldragers
Regelwerkklemmen
Spijkerplaten
Spouwbladanker
Trekanker
Verbindingselementen
Vloer-kozijnstrippen
Panhaken
Panhaken
Spouwankers
Isolatiebevestigingen
Spouwanker hulpstuk
Spouwankers
Transportankers
Hijsogen
Tuinbeslag
Anti klimbeugels
Anti klimstrippen
Tuinbeslag
Terug naar categorieën
Automotive
Aanhangersysteem
Aanhanger aansluitingen
Koppelingen
Neuswielen
Bevestigingsmaterialen
Assortiment sets
Elektra
Aansluitingen
Antennes
Kabels
Snelstarters-acculader, toebehoren
Snelstarters-acculaders
Remsysteem
Remsysteemonderdelen
Sloten
Voertuigsloten
Terug naar categorieën
Beveiliging
Beveiliging elektronisch
Rookmelders
Brandbeveiliging
Afdichtingen, brandwerend
Brandbeveiliging, toebehoren
Brandblussers
Branddekens
Terug naar categorieën
Bevestigingsmaterialen
Afdekkappen
Afdekkappen/proppen
Assortimenten
Assortiment sets
Bedieningselementen
Handgrepen
Sterknoppen
Bevestigingssystemen
Montagerails
Bouten
Houtdraadbouten
Oogbouten
Slotbouten
Zeskant flensbouten
Zeskantbouten
Zeskanttapbouten
Bouwverankering
Ankers
Keilboutankers
Keilbouten
Montagegereedschap
Schroefankers
Spanhulzen
Steigerbevestigingen
Bundelbanden
Bundelbanden
Carrosserie-gereedschappen
Carrosserieringen
Chemische verankering
Ankerstangen
Capsulesysteem
Injectiesysteem
Draadstangen
Draadstangen
Klinksystemen
Blindklinkbouten
Blindklinkmoeren
Klinknagels
Krammen
Golfkrammen
Ringkrammen
Magneten
Magneten
Magneten
Magneten
Moeren
Borgmoeren
Breekmoeren
Dopmoeren
Flensmoeren
Inschroefmoeren
Inslagmoeren
Lasmoeren
Moeren
Oogmoer
Verbindingsmoeren
Vierkantmoeren
Vleugelmoeren
Zeskantmoeren
Montagebanden
Montagebanden
Nagels
Blindklinknagels
Brads
Brads op strip/band
Draadnagels
Duplexnagels
Gripankernagels
Klisjesnagels
Nagels op strip/band
Regelnagels
Ringnagels
Schietnagels
Schroefnagels
Stalen nagels
T-nagels
Nieten
Nieten
Pennen
Borgpennen
Pennen cilindrisch
Pennen conisch
Splitpennen
Pluggen
Allroundpluggen
Gasbetonpluggen
Hollewandankers
Hollewandpluggen
Isolatieplaatpluggen
Kozijnpluggen
Nagelpluggen
Pluggen
Ringen
Afdichtingsringen
Borgringen
Carrosserieringen
Hellingplaten
Kraalringen
Seegerringen
Sluitringen
Stelringen
Veerringen
Volgplaten
Zeilringen
Schroeven
Achterwandschroeven
Afstandschroeven
Anti-inbraakschroeven
Beslagschroeven
Betonschroeven
Gevelschroeven
Gipsplaatschroeven
Houtbouwschroeven
HPL-plaatschroeven
Inserts
Knevelschroeven
Kozijnschroeven
Laagbolkopschroeven
MDF schroeven
Metaalschroeven
Montageschroeven
Plaatschroeven
Scharnierschroeven
Schroeven zelfborend
Schroeven zelftappend
Snelbouwschroeven
Snelbouwschroeven op band
Spaanplaatschroeven
Stelschroeven
Vleugelschroeven
Vloerschroeven
Vlonderschroeven
Schroevendraaiers
Sluitingen
D-Sluitingen
Harpsluitingen
Spanbussen
Spanbussen
Spanrubbers
Spanrubbers
Spieën
Inlegspieën
Spijkers
Betonspijkers
Staaldraad
Staaldraadkabel
Tapes
Afdichtingstapes
Afplaktapes
Belijningstapes
Beschermingstapes
Hittebestendige tape
Isolatietapes
Montagetapes
Reflecterende tapes
Reparatietapes
Tapes anti-slip
Verpakkingstapes
Touw
Touw
Veren
Borgveren
Drukveren
Trekveren
Verzegelingen
Verzegelingen
Terug naar categorieën
Bouwbeslag
Deurbeslag
Beldrukkers
Briefplaten
Brievenbusafdichtingen
Deurbeslag, toebehoren
Deurgarnituren
Deurknoppen
Deurkrukken
Deuropvangbeugels
Deurspionnen
Deurstoppers
Grepen
Huisnummers
Knopkrukken
Knopschilden
Kortschilden
Langschilden
Rozetten
Schuifdeurkommen
Stormkettingen
Symboolplaten
Garagedeurbeslag
Garagedeurbeslag
Garderobesystemen
Hoed- en jashaken
Kistgrepen
Kistgrepen
Leuninghouders
Leuninghouders
Luikbeslag
Luikringen
Raambeslag
Raambeslag, toebehoren
Raamkrukken
Raamsloten opleg SKG*
Raamsluitingen afsluitbaar
Raamsluitingen afsluitbaar SKG*
Raamuitzetters
Stokhaken
Valijzers
Veiligheidsbeslag
Veiligheids garnituren SKG**
Veiligheids garnituren SKG***
Veiligheids kortschilden SKG***
Veiligheids langschilden
Veiligheids langschilden SKG**
Veiligheids langschilden SKG***
Veiligheids rozetten SKG**
Veiligheids rozetten SKG***
Terug naar categorieën
Bouwproducten
Afdekmaterialen
Afdekvlies
Beschermmaterialen
Afdichtingsbanden
Beglazingsbanden
Compressiebanden
Dichtingsbanden
Rugvullingsmaterialen
Schuimband
Afvalzakken
Afvalzakken
Dakbedekkingen
Dakbedekkingen onderlagen
Dakdoorvoeren
Dakdoorvoeren
Folies
Beschermfolies
Bouwfolies
Isolatiematerialen
Isolatiematerialen
Lood
Bladloodvervangers
Matranden
Dorpelijzers
Matranden
Ventilatie
Buitenroosters
Schoepenroosters
Ventilatoren
Vloer-gevelventilatie
Vloerroosters
Putroosters
Vloerroosters
Terug naar categorieën
Chemie
Chemische producten
Absorptiemiddelen
Afbijtmiddelen
Afdichtmiddelen
Afstrijkmiddelen
Beschermingsmiddelen
Borgmiddelen
Brandstoffen
Brandwerende producten
Onderhoudsmiddelen
Onderzoeksmiddelen
Ontvetters
Oplosmiddelen
Reinigingsmiddelen
Verdunners
Kitten
Acrylaatkitten
Afdichtingskitten
Beglazingskitten
Bitumenkitten
Butyleenkitten
Kit, toebehoren
Kitten brandvertragend
Kitten brandwerend
Lijmkitten
Primers
Siliconenkitten
Lijmen
Constructielijmen
Contactlijmen
Daklijmen
Houtlijmen
Lijm, toebehoren
Lijmen 2-componenten
Lijmen speciaal
Lijmpatronen
Montagekitten
PVC lijmen
Secondelijmen
Steenlijmen
Onderhoudsmiddelen
Onderhoudspray
Schoen onderhoudsmiddelen
Vloeistoffen
Wax
Pasta's
Afdichtpasta's
Snijpasta's
Stoppasta's
Vulpasta's
PU-schuimen
PU-schuim, toebehoren
PU-schuimen
Reinigers
Reparatiemiddelen
Plamuren en vulmiddelen
Plamuur en vulmiddelen, toebehoren
Reparatiecompound
Roestbehandelingsmiddelen
Vulpasta's
Smeermiddelen
Oliën
Smeermiddelen
Smeerspray
Vetten
Verf
Anti-graffiti
Deklagen
Eén Pot systeem
Grondlagen
Grondverven
Grondverven aerosol
Lakverven
Lakverven aerosol
Markeringsverven
Muurverven
Onderhoudsmiddelen
Verf hulpmiddelen
Waterdichting
Terug naar categorieën
Draadmaterialen
Bewapeningsstaal
Bewapeningsstaal, toebehoren
Draad
Draad op spoel
Lasdraad
Draadspanners
Draadspanners
Laselektroden
Laselektroden
Laselektroden voor hooggelegeerd staal
Staaldraad
Staaldraadkabel
Terug naar categorieën
Elektra
Accu's
Accu's
Connectoren
Oplaadapparaten
Adereindhulzen
Adereindhuls
Batterijen
Batterijen
Batterijen oplaadbaar
Knoopcellen
Behuizingen
Compacte behuizingen industrieel
Beveiligingen elektrische circuits
Aardlekschakelaars
Buisbevestigingssystemen
Montagerails
Connectoren
F-connectoren
Contactmaterialen
Contactmaterialen
Contactmaterialen CEE-Norm
Elektra
Kabels
Elektrisch gereedschap
Divers
Isolatie- bescherming
Isolatiematten
Isolatietules
Kabel
Aansluitleidingen
Aansluitsnoeren
Rubberkabels
USB kabels
Verlengkabels
Verlengkabels CEE-Norm
Verlengstukken
Verwarmingskabels
Kabelhaspels
Kabelhaspels
Veerkabelhaspels
Kabelschoenen
Krimpcontacten
Perskabelschoenen geïsoleerd
Perskabelschoenen ongeïsoleerd
Kabelwartels
Kabelwartels
Lasdoppen
Lasdoppen
Opbergmaterialen
Kabeltoebehoren
Radio tv Audio
Antennes
Audio
Schakelmateriaal
Contactstoppen
Schakelmateriaal spatwaterdicht opbouw
Transformatoren
Transformatoren
Verdeelblokken
CEE verdeelblokken
Hangcontactblok
Verdeelblokken
Verdeelkasten
Verdeelkasten
Verlichting
Buitenverlichting
Gasontladingslampen
Gloeilampen
Halogeenlampen
Handlampen
Hoofdlampen
Lampen, toebehoren
LED lampen
Lichtsnoeren
Looplamp
PL fluorescentielampen
Schijnwerpers
Werklampen
Zaklampen
Terug naar categorieën
Handgereedschappen
Aftekengereedschappen
Afschrijflinialen
Centerpunten
Centreerhaken
Flenshaken
Kalklijnproducten
Kraspennen
Krijt
Maatlatten
Markeren
Passers
Pennen
Potloden
Reien
Schrijfhaken
Stiften
Verstekhaken
Winkelhaken
Zwaaihaken
Automotive gereedschappen
Bandenreparatie
Bekledinggereedschappen
Carrosseriegereedschappen
Demontagegereedschappen
Klemtangen
Meetgereedschappen
Remsysteemgereedschappen
Bankschroeven
Bankschroeven
Draaiplaten
Hoogteverstellers
Machineklemmen
Opzetbekken
Slijpklemmen
Tafelklemmen
Behanggereedschappen
Behanggereedschappen
Beitels
Koudbeitels
Sloopbeitels
Bits
Bit, toebehoren
Bits
Bitsets
Blindklinktangen
Blindklinknageltang, toebehoren
Blindklinktangen
Carrosserie-gereedschappen
Uitdeukgereedschappen
Dakdekkersgereedschappen
Bitumenbewerkingsgereedschappen
Zinkbewerkingsgereedschap
Demagnetiseringsapparaten
Demagnetiseringsapparaten
Demontagegereedschappen
Bandenlichters
Bandsleutels
Bout,- moerverwijderaars
Losmaakgereedschappen
Moerensplijters
Tapeinduithalers
Trekkers
Zekeringtrekkers
Deurklemmen
Deurklemmen
Dopsleutelgereedschappen
Bougiesleutels
Dopsleutel, toebehoren
Dopsleutels
Dopsleutelsets
Ratels
Slagdopsleutels
Slagdopsleutels, toebehoren
Slagdopsleutelssets
Draadborstels
Staaldraadborstels
Drijvers
Doorslagen
Pendrijvers
Fietsgereedschappen
Fietssleutels
Gereedschapssets
Gereedschapssets
Grijpgereedschappen
Grijpgereedschappen
Magneetzoekers
HACCP hygiënische reinigingsgereedschappen
Nagelborstels
Schoppen
Watertrekker
Hamers
Bankhamers
Combinatiehamers
Haarhamers
Hamer terugslagvrij
Hamerkoppen
Hamers, aluminium
Hamers, hout
Hamers, koper
Hamers, rubber
Ketelsteenbikhamers
Klauwhamers
Kloppers
Kunststofhamers
Lasbikhamers
Lathamers
Loodgietershamers
Metselaarshamers
Mokers
Nylonhamers
Pen-, bolbankhamers
Smeedhamers
Stampers
Steigerhamers
Stratenmakershamers
Stukadoorshamer/bijl
Tegelzettershamers
Timmermanshamers
Voorhamers
Holpijpen
Holpijpen
Houtbewerkingsgereedschappen
Beitels
Gutsen
Schaven
Verzinkboren
Kitgereedschappen
Doseerapparaten
Kitkokersnijders
Kitpistolen
Kitpistolen
Kitpistolen
Kitstrijkers
Rugvulling rollers
Klemgereedschappen
Handpersen
Klemtangen
Lijmtang, toebehoren
Lijmtangen
Spanklemmen
Lijmgereedschappen
Lijmkammen
Lijmrollers
Lijmverdelers
Machinesleutels
Carterplugsleutels
Haaksleutels
Knie- steeksleutels
Kniesleutels
Kniesleutelsets
Kruissleutels
Machinesleutel, toebehoren
Machinesleutelonderdelen
Moersleutels verstelbaar
Opsteeksleutels
Pengatsleutels
Pijpsleutels
Pijpsleutelsets
Ring- ratelsleutelsets
Ring- steeksleutels
Ring- steeksleutelsets
Ringsleutels
Ringsleutels open
Ringsleutels plat
Ringsleutelsets
Schakelkastsleutels
Slagsleutels
Soksleutels
Soksleutelsets
Starter en bloksleutels
Steeksleutels
Steeksleutelsets
Stiftsleutels
Stiftsleutelsets
Wielmoersleutels
Magneten
Magneten
Meetgereedschappen
Afstandmeters
Antivriesmeters
Bougiekaliber
Detectors
Duimstokken
Gradenbogen
Hoekgradenmeters
Hoekmaten
Hoekmeters
Inspectiegereedschappen
Kruishouten
Landmetermaten
Laskalibers
Linialen
Maattester
Meetgereedschappen, toebehoren
Meetklokken
Meetlatten
Meetlinten
Meetstandaards
Meetstokken telescopisch
Meetwielen
Micrometer, toebehoren
Micrometers
Multimeters
Nivelleerlatten
Rolbandmaten
Schietlood
Schroefdraadmeters
Schroefmaten
Schuifmaten
Sproeiermeters
Straalkalibers
Stroomtangen
Voelermaten- banden
Waterpassen
Metselgereedschappen
Afstekers
Beitels
Bekistingschrapers
Betonrijhaken
Betonschrapers
Betonverdelers
Bouwemmers
Gevelklemmen
Metselprofielen
Paleerijzers
Raapborden
Sabels
Schoonmaakborden
Schragen
Spanen
Speciekuipen
Stempels
Troffels
Voegborden
Voegspijkers
Momentgereedschappen
Draaihoekmeters
Momentgereedschap, toebehoren
Momentschroevendraaiers
Momentsleutel insteekgereedschappen
Momentsleutels
Montagegereedschappen
Deurafhang gereedschappen
Multifunctioneel gereedschap
Pennen
Divers
Pijpenbuigers
Buigtang, toebehoren
Buigtangen
Ponsen
Dopper, snapper
Gatenponsen
Reinigingsgereedschappen
Afwasartikelen
Bezems
Blikken
Borstels
Dweilen
Emmers en deksels
Glasreinigers
Handdoeken, papier
Leidingenreiniging
Luiwagens
Mattenkloppers
Moppen
Poetsdoeken
Poetslappen
Poetspapier
Poetspapier dispensers
Putscheppen
Raagbollen
Raamwissers
Schrapers
Schrobbers
Sponsen
Steel, toebehoren
Stelen
Stoffers
Trekkers
Vegers
Wasborstels
Werkdoeken
Zemen
Sanitairgereedschappen
Kalibreerapparaten
Montagegereedschappen
Radiatorsleutels
Ruimers
Scharen
Allesknippers
Betonvlechtijzer-scharen
Blikscharen
Boutenscharen
Buisscharen
Combischaren
Kabelscharen
Knabbelscharen
Kunststof scharen
Scharen
Slangenscharen
Universeelscharen
Verstekscharen
Schildersgereedschappen
Afsteekmessen
Beugels
Glasreinigers
Kwasten
Penselen
Plamuurmessen
Plamuurrubbers
Roller, toebehoren
Ruitenlichters
Schildersstoffers
Spatels
Stopmessen
Verfhulpmiddelen
Verfrollers
Verfschrapers
Zuigheffers
Schroevendraaiers
Bitschroevendraaiers
Flexibele schroevendraaiers
Klemschroevendraaiers
Microschroevendraaiers
Microschroevendraaiersets
Priemen
Schroevendraaiers
Schroevendraaiers
Schroevendraaiers
Schroevendraaiers
Schroevendraaiers
Schroevendraaiers met verwisselbare kling
Schroevendraaiersets
Slagschroevendraaiers
Slagschroevendraaiersets
Sokschroevendraaiers
Sokschroevendraaiersets
Spanningzoekers
Stubby schroevendraaiers
T-schroevendraaiers
Schuimpistolen
Schuimpistolen
Schuimpistoolonderdelen
Slijpmiddelen
Aanzetstalen
Handslijpstenen
Kleppenslijper
Wetstenen
Smeedgereedschappen
Aambeelden
Smeergereedschappen
Jerrycan, toebehoren
Jerrycans
Maatbekers
Oliekan, toebehoren
Oliekannen
Oliespuiten
Schenkkannen
Trechters
Vatpompen
Vetspuit, toebehoren
Vetspuiten
Vulapparaten
Snijgereedschappen
Glas- en tegelsnijders
Messen
Pijpsnijders
Soldeergereedschappen
Gasbrander, toebehoren
Gasbranders
Soldeerhulpmiddelen
Spangereedschappen
Boorbussen
Boorklemmen
Moeren
Snelwisselhouders
Spantangen
Spantanghouders
Spieën
Taphouders
Tapinzetstukken
Tapverlengstukken
Wringijzers
Spiegels
Spiegel
Stelen
Hamerstelen
Klauwhamerstelen
Mokerstelen
Statenmakershamerstelen
Voorhamerstelen
Wiggen/spieën
Stratenmakersgereedschap
Draadpennen
Klinkertrekkers
Putdekselhaken
Richtijzers
Stenendragers
Tegeltillers
Trottoirbandtangen
Stukadoorsgereedschap
Betonschaven
Droogbouw gereedschappen
Gipsbekers
Schuurborden
Schuurslijpers
Spackmessen
Spanen
Spanen
Stukadoorshaken
Stukadoorsrails
Stukadoorsschopjes
Voegrubbers
Tangen
Bedradingstangen
Borgveertangen
Bougietangen
Boutensnijtangen
Buigtangen
Combinatietangen
Conustangen
Draadkniptangen
Draadtangen
Glastangen
Grijptangen
Griptangen
Hamerkoptangen
Hoeftangen
Justeertangen
Kabelbundelbandtangen
Kabelkniptangen
Kabelsnijtangen
Kopkniptangen
Kramklemtangen
Krimptangen
Langbektangen
Mechanicatangen
Middensnijtangen
Moerentangen
Moniertangen
Montagetangen
Multifunctionele tangen
Nijptangen
Ontmantelingsgereedschappen
Pijpentangen
Pincetten
Platbektangen
Platbuigtangen
Ponstangen
Punttangen
Radiotangen
Remveertangen
Revolvertangen
Rondbuigtangen
Scharen
Slangklemtangen
Sleuteltangen
Smeedtangen
Spanbandtangen
Spijkertrekkers
Stanstangen
Striptangen
Tang, toebehoren
Tangensets
Tangonderdelen
Tegelbreektangen
Tegelkniptangen
Telefoontangen
Verbindingstangen
Voorsnijtangen
Wastafelmoertangen
Waterpomptangen
Wielgewichttangen
Zeilring- ogentangen
Zettangen
Zijsnijtangen
Zuigerveertangen
Tegelzettersgereedschap
Tegelzettersgereedschap
Uitdeukgereedschappen
Uitdeukgereedschapsets
Veerhaken
Veerhaken
Vijlen
Blokvijlen
Carrosserievijlen
Contactpuntvijlen
Draadvijlen
Draaibankvijlen
Freesvijlen
Hand diagonaalvijlen
Handvijlen
Kettingzaagvijlen
Landbouwvijlen
Lintzaagvijlen
Molenzaagvijlen
Naaldvijlen
Pilaarvijlen
Platspitsvijlen
Precisievijlen
Raspen
Remschoenvijlen
Sleutelvijlen
Vijl, toebehoren
Vijlen driekant
Vijlen halfrond
Vijlen rond
Vijlen vierkant
Vijlensets
Vijlgrepen
Zaagvijlen
Vonkvrije gereedschappen
Afsteekmessen vonkvrij
Beitels vonkvrij
Bijlen vonkvrij
Borstels vonkvrij
Dopsleutel, toebehoren vonkvrij
Dopsleutels vonkvrij
Drijvers vonkvrij
Hamers vonkvrij
Machinesleutels vonkvrij
Meetgereedschap vonkvrij
Pikhouwelen vonkvrij
Pincetten vonkvrij
Ratels vonkvrij
Scharen vonkvrij
Schroevendraaiers vonkvrij
Sloopbeitels vonkvrij
Smeergereedschappen vonkvrij
Snijgereedschapppen vonkvrij
Spades vonkvrij
Tangen vonkvrij
Vijlen vonkvrij
Zagen vonkvrij
Zagen
Draadzagen
Handzaagbladen
Handzagen
Verstekbakken
Zaagbeugels
Terug naar categorieën
Hang- en Sluitwerk
Cilinders
Cilinder, toebehoren
Cilinders
Veiligheidscilinders SKG**
Veiligheidscilinders SKG***
Hangsloten
Discussloten
Hangslot, toebehoren
Hangsloten cilinder
Hangsloten met cijfer
Ketting- kabelsloten
Kabelsloten
Scharnieren
Aanlashengen
Deurveerscharnieren
Duimen
Hengen
Inboorpaumelles
Knopscharnieren
Kogellagerscharnieren
Kogellagerscharnieren SKG**
Kogellagerscharnieren SKG***
Kogelstiftpaumelles
Kogelstiftpaumelles SKG***
Markiesscharnieren
Nylon lagerscharnieren
Nylon lagerscharnieren SKG***
Paumelles
Pianoscharnieren
Scharnieren
Scharnieren SKG**
Scharnieren smal
Scharnieronderdelen
Schijflagerscharnier
Schijflagerscharnier SKG ***
Sloten
Bijzetsloten SKG*
Bijzetsloten SKG**
Cilinder insteek smaldeursloten SKG**
Cilinder insteeksloten
Cilinder insteeksloten SKG**
Garagedeursloten
Insteeksloten
Klavier insteeksloten
Meerpuntsluitingen SKG***
Opleg bijzetsloten SKG*
Oplegsloten, toebehoren
Sleutels
Sleuteltoebehoren
Sluitkommen SKG**
Sluitkommen SKG***
Sluitplaten
Sluitwerk
Deurdranger armen
Deurdrangers
Deurkettingen
Deursluiters
Deurvastzetter, toebehoren
Deurvastzetters
Grendels
Heksluiters
Insteekgrendels
Kierstandhouder SKG
Klinkstellen
Luiksluitingen
Openingsbegrenzers
Overvallen
Schuiven
Sluitingen
Snapsluitingen
Splitpennen
Terug naar categorieën
Huishoudelijk
Afvalverzameling
Afvalverzamelaars
Afvalzakken
Draagringen
Drogen
Drooglijnen
Ongedierte bestrijding
Dierenvallen
Persoonlijke verzorging
Persoonlijke verzorging
Toiletpapier
Textiel
Dekens
Transportmiddelen
Trolleys
Terug naar categorieën
IJzerwaren
Dragers
Dragers
IJzerwaren
Aanlegringen
Beugels
Bledschroeven
Haken
Krulhaken
Musketonhaken
Oog op plaat
Plankenband
Puntduimen
Putringen
Ringen
Schroefduimen
Schroefhaken
Schroefogen
Stokeinden
Wervels
Windhaken
Kabels
Kabelklemmen
Kabeltoebehoren
Spanschroeven
Katrollen
Katrollen
Kettingen
Ketting, toebehoren
Kettingen gekleurd
Kettingen op rol
S-haken
Scheepskettingen
Sierkettingen
Veiligheidskettingen
Victorkettingen
Voetkettingen
Terug naar categorieën
Infrastructuur
Verkeersborden
Verkeersborden
Terug naar categorieën
Installatietechniek
Afsluiters
Actuatoren
Afsluiters
Schuifafsluiters
Besproeiingstechniek
Buisklemmen
Buis installatieklemmen
Kunststofbuisklemmen zonder inlage
Drukhulpstukken
Koppelingen
Drukleidingsystemen
Drukleidingsysteemonderdelen
Drukleidingsystemen, PE
Drukleidingsystemen, pvc
Koppelingen
Filters
Filters
Fittingen
Afdichtstoppen
Draadfittingen
Eindkappen
Knieën
Knieën
Koppelingen
Kruisstukken
Lasbochten
Moeren contra
Nippels
Pijpnippels
Pluggen
Sokken
T-stukken
Verloopnippels
Verloopringen
Verloopsokken
Y-stukken
Fittingen malleabel
Bochten
Knieën
Koppelingen
Muurplaten
Nippels
Pluggen
Sokken
Sokken
Soknippels
T-stukken
Verloopnippels
Verloopsokken
Wartelmoeren
Hemelwaterafvoer
Hemelwaterafvoer
Hemelwaterafvoeronderdelen
Klimaatbeheersing
Klimaatbeheersings gereedschap
Knelkoppelingen
Afsluitplaten
Kniekoppelingen
Kniekoppelingen kiwa
Koppelingen
Koppelingen kiwa
Kruisstukken kiwa
Muurplaten kiwa
Overgangskoppelingen kiwa
T-stukken
T-stukken kiwa
Verloopkoppelingen kiwa
Verloopsets
Kogelkranen
Kogelafsluiters
Kogelkraan toebehoren
Kogelkranen
Kogelkranen gereduceerde doorlaat
Kogelkranen volle doorlaat
Laboratorium kogelkraan
Koppelingen
Gaskoppelingen
Koppeling, toebehoren
Persluchtkoppelingen
Snelkoppelingen
Veiligheidskoppelingen
Kranen
Badkamer/keuken kranen
Vatkranen
Vlotterkranen
Meters
Manometers
Thermometers
Oorklemmen
Oorklemmen
Oorklemmen
Oorklemmen
Perslucht, toebehoren
Perslucht koppelingen
Persluchtsystemen
Persluchtleidingen
Slangen
Gasslangen
Multipurpose slangen
Persluchtslangen
Persslangen
Spiraalslangen
Waterslangen
Slangklemmen
Slangklem assortimenten
Slangklemmen
Wormschroefklemmen
Slangkoppelingen
3-wegstukken
Kraanaansluitingen
Reparatiekoppelingen
Snelkoppelingen
Snelkoppelingen
Slangopbergsystemen
Gereedschapswagens
Slangenhouders
Slangstukken
3-wegstukken
Insteeknippels
Kraanstukken
Slangkoppelingen
Slangstukken
Slangverbinders
T-stukken
Waterdieven
Slangtules
Slangtules
Snelkoppelingen
Snelkoppelingen
Sproeiers
Sproeiers
Spuitkop
Spuitlansen
Spuitlansen
Spuitpistolen
Spuitpistolen
Spuitpistolen
Straalpijpen
Straalpijpen
Tussenkleppen
Tussenkleppen
Voetkleppen
Voetkleppen
Terug naar categorieën
Kantoorartikelen
Bureau-accessoires
Documentverwerking
Tijdsbepaling
Klokken
Terug naar categorieën
Kantoorinrichting
Meubilair
Lessenaars
Stoelen
Terug naar categorieën
Keuken artikelen
Keukengereedschappen
Broodtrommels
Snijgereedschappen
Keukenmachines
Opwarmen
Terug naar categorieën
Lastechniek
Gas
Gas vulling
Koopcilinder
Las- en snijapparatuur
Drukregelaars cilindermontage
Gascilinders
Las- snijapparatuur, toebehoren
Las- snijbrandersets
Lasapparaatonderdelen
Lasgereedschappen
Laspistoolonderdeel
Snijgereedschappen
Lasbescherming
Lasdekens
Slijpdekens
Laspistolen
Laspistolen MIG/MAG
Laspistolen TIG
Laspistool, toebehoren
Laspistoolonderdeel
Lastang
Soldeer
Hardsoldeer
Zachtsoldeer loodvrij
Zachtsoldeer tin/lood
Terug naar categorieën
Logistiek
Afbakeningsmiddelen
Afbakeningsmiddelen
Bebording
Gebodsborden
Redding en Evacuatie
Bedrijfswageninrichting
Bedrijfswagenafsluiting
Zijwanden
Extern transport
Industrie aanhangers
Kiepwagens
Kruiwagen, toebehoren
Kruiwagenonderdelen
Kruiwagens
Kruiwagens elektrisch
Ladingvastzetsystemen
Rijplaten
Wielblokkering
Hijstechniek
Garage equipment
Hefgereedschap
Hefmagneten
Hijsbanden
Hijsketting
Hijsketting, toebehoren
Hijsklemmen
Hijsogen -ringen
Katrollen
Kraanweegschalen
Lasthaak, toebehoren
Lasthaken
Lieren
Loopkatten
Plaatklemmen -haken
Rondstroppen
Takel, toebehoren
Takelonderdelen
Takels
Veerbalancers
Intern transport
Afvalbakken
Bakkenwagens
Etagewagens
Gaascontainers
Gasflessenwagens
Heftafels
Kiepwagens
Langmateriaal wagens
Orderverzamelwagens
Pallettrucks
Platen- glaswagens
Platendragers
Platformwagens
Rolplateau's
Serveerwagens
Steekwagens
Transport- onderzetrollers
Transportwagens
Werkplaatswagens
Klimmaterieel
Doorwerksystemen
Hoogwerkers
Ladders
Steigers
Trappen
Meetgereedschappen
Meetgereedschappen
Opbergmaterialen
Assortimentsbakken
Assortimentsdozen
Etuis
Foudralen
Gereedschapshouders
Gereedschapskisten
Gereedschapskoffers
Gereedschapskoppels
Holsters
Koffers
Opbergboxen
Opbergmateriaal toebehoren
Opslagbakken
Promotiematerialen
Schalen
Tassen
Verpakkingsmaterialen
Kunststofverpakkingen
Vlaggen
Vlaggenstokken
Werkplaatsinrichting
Beschermdekens
Freeskoppen, toebehoren
Gereedschapswagens
Gereedschapswanden
Kast, toebehoren
Kasten
Ladekast, toebehoren
Ladekasten
Rolbokken
Stelvoeten
Trillingsdempers
Werkbankcomponenten
Werkbanken
Werkplaatsmatten
Werkplaatsstoelen
Zwaaihaken
Wielen
Meubelwielen
Wiel, toebehoren
Wielen met halfelastische rubber band
Wielen met kunststof wiel
Wielen met polyamide loopvlak
Wielen met polypropyleen loopvlak
Wielen met polyurethaan loopvlak
Wielen met rubber band
Wielen met vol elastische rubber band
Wielen, los
Terug naar categorieën
Machines
Accu gereedschap
Accu's
Accu's
Adapters
Betonmolens
Betontrilnaalden
Blindklinknageltangen
Boorbreekhamers
Boorhamer, toebehoren
Boorhamers
Boorhamers
Boormachines
Boorschroefmachines
Buig-en knipmachines
Compressoren
Diamant gereedschap
Draadsnijmachines
Freesmachines
Heggenscharen
Heteluchtpistolen
Kitpistolen
Krimptangen
Lampen
Lijmpistolen
Luchtbehandelingsmachines
Machine assortiment
Machine combinatiesets
Mengmachines
Momentgereedschappen
Multi-machines
Nietmachines
Oplaadapparaten
Persmachines
Polijstmachines
Pompen
Ponsmachines
Radio's
Reinigingsmachines
Schaafmachines
Scharen
Schroefautomaten
Schroefmachines
Schroevendraaiers
Schroevendraaiers
Schuurmachines
Schuurmachines
Slagmoeraanzetters
Slagmoersleutels
Slagschroevendraaiers
Slijpmachines
Slijpmachines
Snelstarters-acculaders
Snijmachines
Soldeerbouten
Spijkerinslagmachines
Tackers
Tuimachine toebehoren
Tuingereedschap
Tuingereedschap, toebehoren
Vetspuiten
Vlechtdraadmachines
Vlechtmachines
Vloeistofspuiten
Waterpasinstrumenten
Zaagmachines
Zaagmachines
Accu's
Tuingereedschap
Boren
Boormachines
Elektrisch gereedschap
Betonmolen
Betontrilnaalden
Boorbreekhamers
Boorhamers
Boorschroevendraaiers
Breekhamers
Compressoren
Diamant gereedschap
Freesmachines
Heaters
Heteluchtpistolen
Kantenlijmers
Lasapparaten
Lijmpistolen
Mengmachine, toebehoren
Mengmachines
Multi-machines
Pijpenbuigers
Polijstmachines
Pompen
Pompen
Pompen
Radio's
Reinigingsmachines
Schaafmachines
Scharen
Schroefmachines
Schroevendraaiers
Schuurmachines
Slagmoeraanzetters
Slijpmachines
Soldeerbouten
Soldeerstations
Stofzuiger, toebehoren
Tegelsnijmachines
Tuingereedschap
Verwarmingsapparaten
Zaagmachines
Zaagmachines
Handbediende machines
Buigmachines
Handtackers
Knipmachines
Hydraulische (elektro) machines
Buigmachines
Machine combinatiesets
Machine combinatiesets
Machine, toebehoren
Afzuiginstallatie, toebehoren
Betonslijper, toebehoren
Blaaspistool, toebehoren
Boorhamer, toebehoren
Boorhouders
Boorhoudersonderdelen
Boorhulzen
Boormachine, toebehoren
Boorschroefmachine, toebehoren
Breekhamer, toebehoren
Buigmachine, toebehoren
Compressor, toebehoren
Decoupeerzaagmachine, toebehoren
Draadsnijmachine, toebehoren
Draaibank, toebehoren
Freesmachine, toebehoren
Gas/kruittackers, toebehoren
Heater, toebehoren
Kantenlijmer, toebehoren
Kitpistool, toebehoren
Knipmachine, toebehoren
Koelinrichting
Lasapparaat, toebehoren
Lijmpistool, toebehoren
Machine onderstellen
Mengmachine, toebehoren
Multi-machine, toebehoren
Ponsmachine, toebehoren
Schaafmachine, toebehoren
Schroefautomaat, toebehoren
Schuurmachine, toebehoren
Slijpmachine, toebehoren
Soldeerbout, toebehoren
Stofzuiger, toebehoren
Tacker, toebehoren
Tegelsnijmachine, toebehoren
Tuimachine toebehoren
Tuingereedschap, toebehoren
Verfspuit, toebehoren
Vlechtdraadmachines, toebehoren
Waterpasinstrument, toebehoren
Zaagmachine, toebehoren
Machineonderdelen
Buigmachineonderdelen
Koolborstels
Lasapparaatonderdelen
Machineonderdelen
Slijpmachineonderdelen
Motorisch gereedschap
Betontrilnaalden
Compressoren
Drukspuiten
Generatoren
Heaters
Palendrijvers
Pompen
Reinigingsgereedschap
Slijpmachines
Trilplaten
Tuingereedschap
Tuingereedschap, toebehoren
Pneumatisch gereedschap
Bandenspanningsmeters
Blaaspistolen
Blindklinknageltangen
Blindklinknageltangen
Compressoren
Gas/kruittackers
Graveermachines
Hakhamers
Hamer
Kitpistolen
Kniptangen
Naaldbikhamers
Schuurmachines
Slagmoersleutels
Slijpmachines
Spijkertackers
Spuitpistolen
Tackers
Tackers
Verfspuiten
Stationair machines
Afzuiginstallaties
Boormachines
Vlak- en vandiktebanken
Werkbankslijpmachines
Zaagmachines
Tuinmachines
Accu's
Oplaadapparaten
Tuimachine toebehoren
Tuingereedschap
Tuingereedschap, toebehoren
Terug naar categorieën
Meubelbeslag
Ladebeslag
Ladegrepen
Meubelbeslag
Beschermmaterialen
Meubelknoppen
Meubelpoten
Meubelscharnieren
Meubelverbindingen
Meubelverbindingen
Terug naar categorieën
PBM
Ademhalingsbescherming
Aanblaassystemen stationair
Aanblaassystemen, toebehoren
Gelaatmasker filters
Halfgelaatsmaskers
Vluchtmaskers
Volgelaatsmaskers
Wegwerpmaskers
Disposables
Handbescherming wegwerp
Kleding wegwerp
Voetbescherming wegwerp
EHBO
Ontsmetting
Oogspoelflessen
Verbandmiddelen
Verbandtrommels
Folies
Handschoenen
Gehoorbescherming
Oorkap, toebehoren
Oorkappen
Oorplugdispensers
Oorpluggen
Gelaatsbescherming
Gelaatmasker filters
Gelaatsschermen
Gelaatsschermonderdelen
Halfgelaatsmaskers
Handbescherming
Handschoenen
Handschoenen chemisch bestendig
Handschoenen koudewerend
Lashandschoenen
Werkhandschoenen
Hoofdbescherming
Caps
Hoofddoeken
Mutsen
Petten
Veiligheidshelm, toebehoren
Veiligheidshelmen
Huidbescherming
Huidreiniging
Huidverzorging
UV-crème
Kniekussens
Kniekussen
Lasbescherming
Lasbeschermingsonderdelen
Lashelmen
Lasruiten
Lasschilden
Spatruiten
Lichaamsdelenbescherming
Kniebeschermers
Koeling producten
Rugsteungordels
Oogbescherming
Beschermbrillen
Bezoekersbrillen
Bril, toebehoren
Lasbrillen
Stofbrillen
Veiligheidsbrillen
Sport en vrijetijdskleding
Broeken
Valbeveiliging
Gordels
Lijnen met valdemper
Sluitingen
Valbeveiliging, toebehoren
Valstopapparaten
Voetbescherming
Klompen
Laarzen
Schoen, toebehoren
Slippers
Sokken
Veiligheidslaarzen
Veiligheidsschoenen hoog
Veiligheidsschoenen laag
Werkkleding
Amerikaanse overalls
Blouses
Bodywarmers
Brandvertragende signaalkleding
Chemiekleding
Drijfpakken
Halsdoeken
Jassen
Kleding brandvertragend
Kleding, toebehoren
Korte broeken
Laskleding
Multi-norm kleding
Onderkleding
Overalls
Polo's
Polosweaters
Regenkleding
Signaalkleding
Stofjassen
Sweaters
T-shirts
Truien
Vesten
Waadpakken
Werkbroeken
Werkhemden
Terug naar categorieën
Profielen
Bouwprofielen
Bekistingsprofielen
Hoekbeschermingsprofielen
Profielen standaard
Tochtprofielen
Dorpelprofielen
Dorpelstrips
Tochtprofielen
Terug naar categorieën
Sanitair
Badkamer
Badkamer-accessoires
Toiletten
Toilet-accessoires
Terug naar categorieën
Service artikelen
Chemische producten
Divers
Divers
Divers
Promoties
Promotieproducten
Werkplaatsinrichting
Brandwerende producten
Terug naar categorieën
Tuingereedschappen
Aanaarders
Aanaarders
Baggerbeugels
Baggerbeugels
Batsen
Batsen
Schepbatsen
Steekbatsen
Beplantingsartikelen
Plantendragers
Besproeiingstechniek
Sprinklersystemen
Sproeiers
Sproeiers
Bijlen
Bijlen
Boombijlen
Houthiepen
Keukenbijlen
Kloofbijlen
Bloemenschepjes
Bloemenschepjes
Bollenplanters
Bollenplanters
Cultivators
Cultivators
Draineerlepels
Draineerlepels
Drukspuiten
Drukspuiten
Plantenspuiten
Fruitplukkers
Fruitplukkers
Gazonrollers
Gazonrollers
Gieters
Gieters
Graskantstekers
Graskantstekers
Grondboren
Grondboren
Grondmonsterboren
Palentrekkers
Verlengstukken
Gronddammers
Stampers
Hakken
Bietenhakken
Hakken
Landhakken
Harken
Asfaltharken
Bladharken
Bouwharken
Gazonharken
Grasharken
Handharkjes
Hooiharken
Rozenharken
Schoffelharken
Tuinharken
Verticuteerharken
Zaadharken
Heien
Heien
Kanthaken
Kanthaken
Kniekussens
Kniekussen
Krabbers
Krabbers
Leidingprikkers
Leidingprikkers
Machineonderdelen
Messen
Messen
Aspergemessen
Boomschilmessen
Kapmessen
Oculeermessen
Snoeimessen
Tuinmessen
Mesthaken
Mesthaken
Mestrieken
Mestkrabbers
Stal- of mestkrabbers
Motorisch gereedschap
Tuingereedschap
Onkruidstekers
Onkruidstekers
Outdoor
Kampeerbenodigheden
Papierprikkers
Papierprikkers
Pikhouwelen
Pikhouwelen
Pootstokken
Pootstokken
Rieken
Rieken
Sappies
Sappies
Scharen
Boomscharen
Fruitscharen
Grasscharen
Heggenscharen
Schaar, toebehoren
Snoeischaren
Takkenscharen
Schoffels
Schoffels
Schoppen
Ballastschoppen
Betonschoppen
Graanschoppen
Kabelschoppen
Schop, toebehoren
Sneeuwschoppen
Stalschoppen
Steekschoppen
Zandschoppen
Schrepels
Schrepels
Schuivers
Mestschuivers
Sneeuwschuivers
Sikkels
Sikkels
Sleggen
Sleggen
Sloothaken
Sloothaken
Spades
Damesspades
Draineerspades
Hobbyspades
Kleispades
Pootspades
Spades
Spades met voetjes
Sporken
Zwanenhalsspade
Stekers
Wortelbijlen
Stelen
Batsstelen
Bezemstelen
Bijlstelen
Bladharkstelen
Blijhamstelen
Combistelen
D-stelen
Fiberstelen
Graanschopstelen
Graskantstekerstelen
Hakstelen
Handvatten
Harkstelen
Heften
Hooiharkstelen
Hooivorkstelen
Klemstelen
Kloofbijlstelen
Kloofhamerstelen
Knopstelen
Landhakstelen
Merkusspadestelen
Mesthaakstelen
Mestschuif - vloertrekkerstelen
PD stelen
Pikhouweelstelen
Ragebolstelen
Riekstelen
Schoffelstelen
Schopstelen
Schraperstelen
Sleggestelen
Sloothaakstelen
Sneeuwschuiverstelen
Spadestelen
Spitriekstelen
Steel universeel
Steel, toebehoren
Teerkwaststelen
YD stelen
Zeisboomstelen
Stokhouders
Stokhouders
Stropakhaken
Stropakhaken
Tegelkrabbers
Voegenkrabbers
Tuinmachines
Tuimachine toebehoren
Tuingereedschap, toebehoren
Vorken
Aardappelvorken
Balenvorken
Bietenvorken
Handvorken
Hooivorken
Maisvorken
Mestvorken
Paardenvijgvorken
Puinvorken
Spitvorken
Stalvorken
Vuilgrijpers
Vuilgrijpers
Woelers
Gazonprikkers
Tuinwoelers
Zaaigereedschappen
Zaaivaten
Zagen
Beugelzagen
Snoeizagen
Stokzagen
Tuinzagen
Zaagbokken
Zeisen
Zeisbomen
Zeisen
Zeisringen
Zeisscherpgereedschappen
Zeiswetstenen
Terug naar categorieën
Verspanende gereedschappen
Beitels
Koudbeitels
Sloopbeitels
Boren
Betonboren
Boorkronen
Boren, toebehoren
Borensets
Diamantboren
Dozenboren
Glasboren
Houtboren
Kernboren
Metaalboren
Steenboren
Tegelboren
Verzinkboren
Bovenfrezen hout
Afrondfrezen
Bolprofielfrezen
Fasefrezen
Frees, toebehoren
Freesboren
Freeskoppen
Frezen met kogellager
Frezensets
Getrapte frezen
Graveerfrezen
Groeffrezen
Halfrondprofielfrezen
Holprofielfrezen
Kantenfrezen
Kopieerfrezen
Kopverzinkfrezen
Kwartrondfrezen
Schijffrezen
Sponningfrezen
V-groeffrezen
Verlijmfrezen
Vlaktefrezen
Zwaluwstaartfrezen
Draadreparatiegereedschappen
Draadreparatiegereedschappen
Draadsnijgereedschappen
Boortappen
Draadsnijsets
Draadsnijtoebehoren
Eindsnijders
Handtappen
Machinemoertappen
Machinetappen
Roltappen
Snijmoeren
Snijplaten
Draaigereedschappen
Afsteekplaten
CBN Wisselplaten
Frezen
Wisselplaathouders
Wisselplaten
Freesgereedschappen hout
Freeskoppen, toebehoren
Groeffrezen
Kantenfrezen
Sponningskoppen
Frezen metaal
Concaaffrezen
Frees, toebehoren
Frezensets
Gatfrezen
Hoekfrezen
Kopverzinkfrezen
Radiusfrezen
Ruwfrezen
Schachtfrezen
Schijffrezen
Spiebaanfrezen
Stiftfrezen HM
Stiftfrezen HSS
Stiftfrezen VHM
T-gleuffrezen
Universeelfrezen
Verzinkfrezen
Vingerfrezen
Vlakfrezen
Gatzagen
Gatzaag, toebehoren
Gatzagen
Keermessen
Keermessen, HM
Ontbraamgereedschappen
Handontbramer, toebehoren
Handontbramers
Ontbraamfrezen
Ontbraamschijven- wielen
Oppervlakschrapers
Pijpenbuigers
Polijstmiddelen
Marmoreerstiften
Poetsschijven
Polijstmaterialen
Polijstsets
Rondeller
Staalwol
Ruimers
Handruimers
Machineruimers
Schaafbeitels
Schaafbeitels
Schuurmiddelen
Diamant schijven
Klitschuurbladen
Klitschuurschijven
Lamellenschijven
Polijstmaterialen
Schuurbanden
Schuurblokken
Schuurborstels
Schuurgaas
Schuurhulzen
Schuurlinnen
Schuurmachine, toebehoren
Schuurpads
Schuurpapier
Schuurschijven
Schuurschijven
Schuursets
Slijpbanden
Slijpschijven
Steunschijven
Schuurmiddelen non-woven
Klitpolijstschijven
Klitschuurschijven
Polijst-lamellenschijven
Reinigingsschijven, non-woven
Schuurbanden
Schuurschijven
Schuurvellen
Schuurvlies
Schuurwielen
Slijpmiddelen
Afbraamschijven
Diamant schijven
Doorslijpschijven
Draadborstels
Lamellenrollen
Lamellenschijven
Schuurhulzen
Schuurschijven
Slijpkommen
Slijpschijf, toebehoren
Slijpschijven
Slijpstenen op stift
Smeergereedschappen
Schuurschijven
Zaagbladen
Cirkelzaagbladen
Decoupeerzaagbladen
Diamant zaagbladen
Lint-, bandzagen
Multimachine zaagbladen
Reciprozaagbladen
Zaagblad, toebehoren
Registreren
Startpagina
Bevestigingsmaterialen
Pennen
Filters
Tabel
Lijst
Sorteren op:
Verwijder
Sorteren op
Naam: A naar Z
Naam: Z naar A
Prijs: laag naar hoog
Prijs: hoog naar laag
Categorie
Aandrijftechniek
Afdichtingen
Lagers
Pneumatiek
Smering
Ankerwerk
Bevestigingsankers
Bouwverankering
Bouwverankering
Houtverbindingen
Panhaken
Spouwankers
Transportankers
Tuinbeslag
Automotive
Aanhangersysteem
Bevestigingsmaterialen
Elektra
Remsysteem
Sloten
Beveiliging
Beveiliging elektronisch
Brandbeveiliging
Bevestigingsmaterialen
Afdekkappen
Assortimenten
Bedieningselementen
Bevestigingssystemen
Bouten
Bouwverankering
Bundelbanden
Carrosserie-gereedschappen
Chemische verankering
Draadstangen
Klinksystemen
Krammen
Magneten
Magneten
Moeren
Montagebanden
Nagels
Nieten
Pennen
Pluggen
Ringen
Schroeven
Schroevendraaiers
Sluitingen
Spanbussen
Spanrubbers
Spieën
Spijkers
Staaldraad
Tapes
Touw
Veren
Verzegelingen
Bouwbeslag
Deurbeslag
Garagedeurbeslag
Garderobesystemen
Kistgrepen
Leuninghouders
Luikbeslag
Raambeslag
Veiligheidsbeslag
Bouwproducten
Afdekmaterialen
Afdichtingsbanden
Afvalzakken
Dakbedekkingen
Dakdoorvoeren
Folies
Isolatiematerialen
Lood
Matranden
Ventilatie
Vloerroosters
Chemie
Chemische producten
Kitten
Lijmen
Onderhoudsmiddelen
Pasta's
PU-schuimen
Reparatiemiddelen
Smeermiddelen
Verf
Draadmaterialen
Bewapeningsstaal
Draad
Draadspanners
Laselektroden
Staaldraad
Elektra
Accu's
Adereindhulzen
Batterijen
Behuizingen
Beveiligingen elektrische circuits
Buisbevestigingssystemen
Connectoren
Contactmaterialen
Elektra
Elektrisch gereedschap
Isolatie- bescherming
Kabel
Kabelhaspels
Kabelschoenen
Kabelwartels
Lasdoppen
Opbergmaterialen
Radio tv Audio
Schakelmateriaal
Transformatoren
Verdeelblokken
Verdeelkasten
Verlichting
Handgereedschappen
Aftekengereedschappen
Automotive gereedschappen
Bankschroeven
Behanggereedschappen
Beitels
Bits
Blindklinktangen
Carrosserie-gereedschappen
Dakdekkersgereedschappen
Demagnetiseringsapparaten
Demontagegereedschappen
Deurklemmen
Dopsleutelgereedschappen
Draadborstels
Drijvers
Fietsgereedschappen
Gereedschapssets
Grijpgereedschappen
HACCP hygiënische reinigingsgereedschappen
Hamers
Holpijpen
Houtbewerkingsgereedschappen
Kitgereedschappen
Klemgereedschappen
Lijmgereedschappen
Machinesleutels
Magneten
Meetgereedschappen
Metselgereedschappen
Momentgereedschappen
Montagegereedschappen
Pennen
Pijpenbuigers
Ponsen
Reinigingsgereedschappen
Sanitairgereedschappen
Scharen
Schildersgereedschappen
Schroevendraaiers
Schuimpistolen
Slijpmiddelen
Smeedgereedschappen
Smeergereedschappen
Snijgereedschappen
Soldeergereedschappen
Spangereedschappen
Spiegels
Stelen
Stratenmakersgereedschap
Stukadoorsgereedschap
Tangen
Tegelzettersgereedschap
Uitdeukgereedschappen
Veerhaken
Vijlen
Vonkvrije gereedschappen
Zagen
Hang- en Sluitwerk
Cilinders
Hangsloten
Ketting- kabelsloten
Scharnieren
Sloten
Sluitwerk
Huishoudelijk
Afvalverzameling
Drogen
Ongedierte bestrijding
Persoonlijke verzorging
Textiel
Transportmiddelen
IJzerwaren
Dragers
IJzerwaren
Kabels
Katrollen
Kettingen
Infrastructuur
Verkeersborden
Installatietechniek
Afsluiters
Besproeiingstechniek
Buisklemmen
Drukhulpstukken
Drukleidingsystemen
Filters
Fittingen
Fittingen malleabel
Hemelwaterafvoer
Klimaatbeheersing
Knelkoppelingen
Kogelkranen
Koppelingen
Kranen
Meters
Oorklemmen
Oorklemmen
Perslucht, toebehoren
Persluchtsystemen
Slangen
Slangklemmen
Slangkoppelingen
Slangopbergsystemen
Slangstukken
Slangtules
Snelkoppelingen
Sproeiers
Spuitlansen
Spuitpistolen
Straalpijpen
Tussenkleppen
Voetkleppen
Kantoorartikelen
Bureau-accessoires
Tijdsbepaling
Kantoorinrichting
Meubilair
Keuken artikelen
Keukengereedschappen
Keukenmachines
Lastechniek
Gas
Las- en snijapparatuur
Lasbescherming
Laspistolen
Soldeer
Logistiek
Afbakeningsmiddelen
Bebording
Bedrijfswageninrichting
Extern transport
Hijstechniek
Intern transport
Klimmaterieel
Meetgereedschappen
Opbergmaterialen
Verpakkingsmaterialen
Vlaggen
Werkplaatsinrichting
Wielen
Machines
Accu gereedschap
Accu's
Boren
Elektrisch gereedschap
Handbediende machines
Hydraulische (elektro) machines
Machine combinatiesets
Machine, toebehoren
Machineonderdelen
Motorisch gereedschap
Pneumatisch gereedschap
Stationair machines
Tuinmachines
Meubelbeslag
Ladebeslag
Meubelbeslag
Meubelverbindingen
PBM
Ademhalingsbescherming
Disposables
EHBO
Folies
Gehoorbescherming
Gelaatsbescherming
Handbescherming
Hoofdbescherming
Huidbescherming
Kniekussens
Lasbescherming
Lichaamsdelenbescherming
Oogbescherming
Sport en vrijetijdskleding
Valbeveiliging
Voetbescherming
Werkkleding
Profielen
Bouwprofielen
Tochtprofielen
Sanitair
Badkamer
Toiletten
Service artikelen
Chemische producten
Divers
Promoties
Werkplaatsinrichting
Tuingereedschappen
Aanaarders
Baggerbeugels
Batsen
Beplantingsartikelen
Besproeiingstechniek
Bijlen
Bloemenschepjes
Bollenplanters
Cultivators
Draineerlepels
Drukspuiten
Fruitplukkers
Gazonrollers
Gieters
Graskantstekers
Grondboren
Gronddammers
Hakken
Harken
Heien
Kanthaken
Kniekussens
Krabbers
Leidingprikkers
Machineonderdelen
Messen
Mesthaken
Mestkrabbers
Motorisch gereedschap
Onkruidstekers
Outdoor
Papierprikkers
Pikhouwelen
Pootstokken
Rieken
Sappies
Scharen
Schoffels
Schoppen
Schrepels
Schuivers
Sikkels
Sleggen
Sloothaken
Spades
Stekers
Stelen
Stokhouders
Stropakhaken
Tegelkrabbers
Tuinmachines
Vorken
Vuilgrijpers
Woelers
Zaaigereedschappen
Zagen
Zeisen
Verspanende gereedschappen
Beitels
Boren
Bovenfrezen hout
Draadreparatiegereedschappen
Draadsnijgereedschappen
Draaigereedschappen
Freesgereedschappen hout
Frezen metaal
Gatzagen
Keermessen
Ontbraamgereedschappen
Pijpenbuigers
Polijstmiddelen
Ruimers
Schaafbeitels
Schuurmiddelen
Schuurmiddelen non-woven
Slijpmiddelen
Smeergereedschappen
Zaagbladen
Pennen
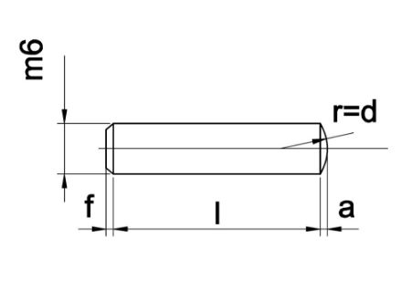
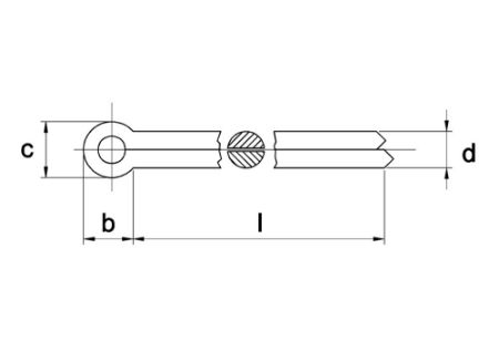
Pennen
Borgpennen
Pennen cilindrisch
Pennen conisch
Splitpennen
Aantal producten tonen
6
12
18
Pennen